Caframo Impellers - U510


Anchor Paddle
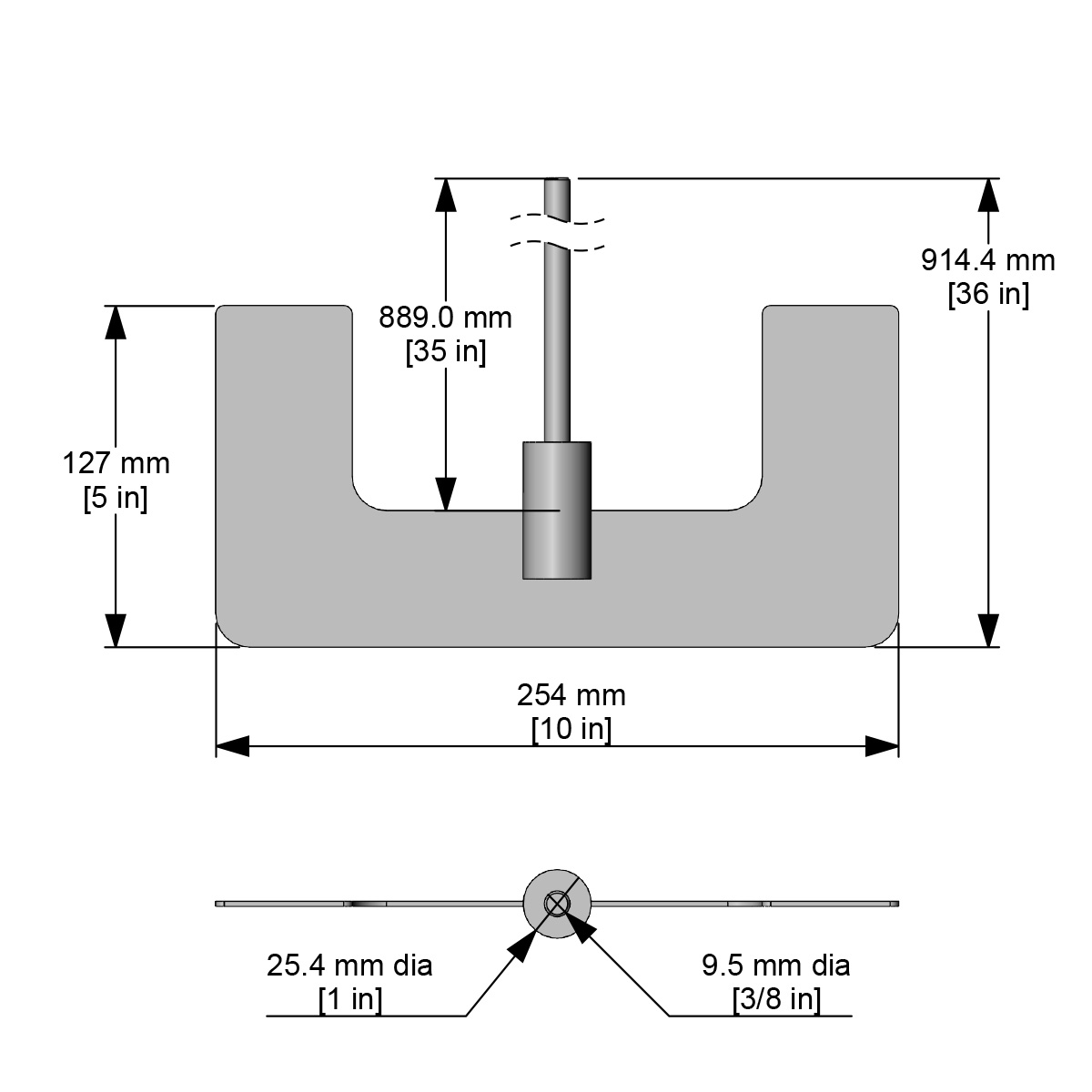
Electropolished 316L stainless steel
Tangential
Rod: 914 mm x Ø9.5 mm; Impeller: Ø127 x 254 mm
U510

A190: Blade and shaft are conveniently bundled together, able to address a variety of stirring applications. This axial flow impeller is effective for low shear mixing. 

A166: This popular impeller serves a wide range of stirring applications, pairing the blade and shaft in a convenient package. This axial flow impeller is effective for high speed, low to medium viscosity mixing. For low shear, high top to bottom pumping capacity with high gas injection, able to vortex 19 L (5 gal) of water at 3600 rpm. 

A250: This tangential flow impeller is effective for low speed, high viscosity mixing. For stirring small volumes of viscous product.

A150: This tangential flow impeller is effective for low speed, high viscosity mixing. For stirring small volumes of viscous product.

A141: This radial flow impeller is a popular choice for high speed, low viscosity mixing in carboys or narrow neck flasks. A high shear impeller with moderate vortexing properties, creating a vortex in 19 L (5 gal) of water at 1000 rpm.

A140: This radial flow impeller is effective for high speed, low viscosity mixing. A moderate shear impeller with moderate vortexing properties, creating a vortex in 19 L (5 gal) of water at 800 rpm.

A130: This radial flow impeller is effective for high speed, low viscosity mixing. A high shear impeller with high vortexing properties, creating a vortex in 19 L (5 gal) of water at 900 rpm.

A131: This radial flow impeller is effective for high speed, low viscosity mixing. A high shear impeller with moderate vortexing properties, creating a vortex in 19 L (5 gal) of water at 1200 rpm.

A231: This radial flow impeller is effective for high speed, low viscosity mixing. A high shear impeller with moderate vortexing properties.

A180: A radial flow PTFE impeller for high speed, low viscosity mixing in narrow neck flasks. This high performance coating is insoluble, non-contaminating and has exceptional thermal resistance. It is easy to clean, does not scratch other surfaces and is unbreakable.

A183: A tangential flow PTFE impeller for low speed, higher viscosity mixing. designed for use in round bottom vessels and reaction flasks. The stainless steel core of the shaft provides stability. PTFE (polytetrafluoroethylene) can be used under the most adverse conditions. This high performance coating is insoluble, non-contaminating and has exceptional thermal resistance. It is easy to clean, does not scratch other surfaces and is unbreakable.

A185: An axial flow PTFE impeller for high speed, low viscosity mixing. PTFE (polytetrafluoroethylene) can be used under the most adverse conditions. This high performance coating is insoluble, non-contaminating and has exceptional thermal resistance. It is easy to clean, does not scratch other surfaces and is unbreakable.

U022: This tangential flow impeller is effective for low speed, high viscosity mixing. Sometimes referred to as a “sweep”, the high shear at the edges makes it a good choice to use close to the vessel wall.

U044: This tangential flow impeller is effective for low speed, high viscosity mixing. Fits the Sweep accessory covers SW4. The high shear at the edges makes it a good choice to use close to the vessel wall.

U044SW: Achieve enhanced process results with the addition of silicone sweep blades to our popular U044 anchor impeller. The impeller with sweep is effective for low speed, high viscosity mixing up to 38,000 mPas. Sweep accessory blades slide over the anchor arms, enabling the combination to scrape sides of a standard 4 L beaker as it stirs. Sweep material silicone SCX 0570 is compliant with FDA 21 CFR 177.2600. A vessel clamp is required when using this impeller. Due to the torque required for effective stirring, we recommend using only with the Caframo overhead stirrer models BDC1850 and BDC3030.

U055: Sometimes referred to as a “sweep”, the high shear at the edges makes it a good choice to use close to the vessel wall.

U510: This tangential flow impeller is effective for low speed, high viscosity mixing Sometimes referred to as a “sweep”, the high shear at the edges makes it a good choice to use close to the vessel wall.  Due to the torque required for effective stirring, we recommend the Caframo overhead stirrer BDC1850.

CAD$ 339 00
Quantity
1
Anything we can help with?

You've got questions, we've got answers.
Reach out and let's see what we can do together.